


工作原理
電極式液位開關是利用液體之導電性來偵測液位高低。桶槽內裝的物質一量觸及極棒,便會導電因而檢出信號。經控制器的信號放大后,再輸出一接點信號,供使用者做液位的控制。
特點
? 適用于控制任何導電液體之液面。禁止使用于揮發性液體
? 具有突波保護功能,可有效防止突波干擾。
? 可做多點控制,控制位置可由使用者需要訂制
? 電極頭使用低交流電壓,可避免電解作用,并可延長使用壽命。
? 具有兩只指示燈,可顯示供水及排水狀態
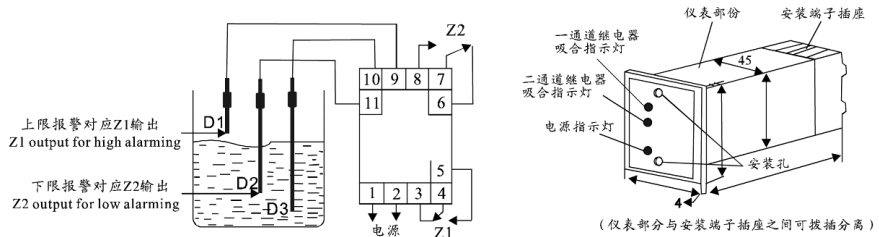
電氣接線圖

型號規格表

注意事項

電極材質的耐蝕性


工作原理
電極式液位開關是利用液體之導電性來偵測液位高低。桶槽內裝的物質一量觸及極棒,便會導電因而檢出信號。經控制器的信號放大后,再輸出一接點信號,供使用者做液位的控制。
特點
? 適用于控制任何導電液體之液面。禁止使用于揮發性液體
? 具有突波保護功能,可有效防止突波干擾。
? 可做多點控制,控制位置可由使用者需要訂制
? 電極頭使用低交流電壓,可避免電解作用,并可延長使用壽命。
? 具有兩只指示燈,可顯示供水及排水狀態
電氣接線圖

型號規格表

注意事項

電極材質的耐蝕性


