


型號 | PE-07R | HE-07D | HE-07N | HE-07P |
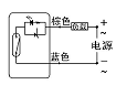
接線圖 |
|
|
|
|
配線方式 | 二線式 | 三線式 | ||
開關邏輯 | SPST常開型 | 電子式無接點.常開型 | ||
輸出接點形式 | 有接點 | 無接點 | 無接點NPN | 無接點PNP |
使用電壓范圍 | 5-240V DC/AC | 10-28V DC | 5-30V DC | |
比較大開關電流 | 100mA max | 4-40mA max | 200mA max | |
接點容量(注1) | 10W max | 1.5W max | 6W max | |
消耗電流 | ﹣﹣ | 8mA@24V DC max | ||
內部電壓降 | 3.0V max | 1.5V max | ||
泄漏電流 | ﹣﹣ | 1mA max | 0.01mA max | |
指示燈顏色 | 紅色LED | 紅色LED | 綠色LED | |
電線 | ∮3.2 2C PVC | ∮3.2 3C PVC | ||
比較大切換工作頻率 | 200 Hz | 1000 Hz | 1000 Hz | |
感應磁場強度(注2) | 70高斯 | 40高斯 | 70高斯 | |
使用溫度范圍 | –10~70℃ | |||
耐沖擊(注3) | 30G | 50G | 50G | |
耐振動(注4) | 9G | |||
保護制造等級 | IEC 529 IP 67 | |||
保護回路(注5) | 無 | 電源極性反向保護;突波吸收保護 | ||
注: | ||||
1.不可超過接點容量(P=V*1); | ||||
2.測量使用之標準磁石:∮15.5*∮8*5t(異方性橡膠磁石); | ||||
3.正弦波/X.Y.Z3軸向/每一軸向3回/每一回時間11ms; | ||||
4.復振幅1.5mm/10Hz~55Hz~10Hz掃頻,持續1分鐘/每次X.Y.Z軸向操作1小時; | ||||


型號 | PE-07R | HE-07D | HE-07N | HE-07P |
接線圖 |
|
|
|
|
配線方式 | 二線式 | 三線式 | ||
開關邏輯 | SPST常開型 | 電子式無接點.常開型 | ||
輸出接點形式 | 有接點 | 無接點 | 無接點NPN | 無接點PNP |
使用電壓范圍 | 5-240V DC/AC | 10-28V DC | 5-30V DC | |
比較大開關電流 | 100mA max | 4-40mA max | 200mA max | |
接點容量(注1) | 10W max | 1.5W max | 6W max | |
消耗電流 | ﹣﹣ | 8mA@24V DC max | ||
內部電壓降 | 3.0V max | 1.5V max | ||
泄漏電流 | ﹣﹣ | 1mA max | 0.01mA max | |
指示燈顏色 | 紅色LED | 紅色LED | 綠色LED | |
電線 | ∮3.2 2C PVC | ∮3.2 3C PVC | ||
比較大切換工作頻率 | 200 Hz | 1000 Hz | 1000 Hz | |
感應磁場強度(注2) | 70高斯 | 40高斯 | 70高斯 | |
使用溫度范圍 | –10~70℃ | |||
耐沖擊(注3) | 30G | 50G | 50G | |
耐振動(注4) | 9G | |||
保護制造等級 | IEC 529 IP 67 | |||
保護回路(注5) | 無 | 電源極性反向保護;突波吸收保護 | ||
注: | ||||
1.不可超過接點容量(P=V*1); | ||||
2.測量使用之標準磁石:∮15.5*∮8*5t(異方性橡膠磁石); | ||||
3.正弦波/X.Y.Z3軸向/每一軸向3回/每一回時間11ms; | ||||
4.復振幅1.5mm/10Hz~55Hz~10Hz掃頻,持續1分鐘/每次X.Y.Z軸向操作1小時; | ||||


